# 接口连接
# 接口概述
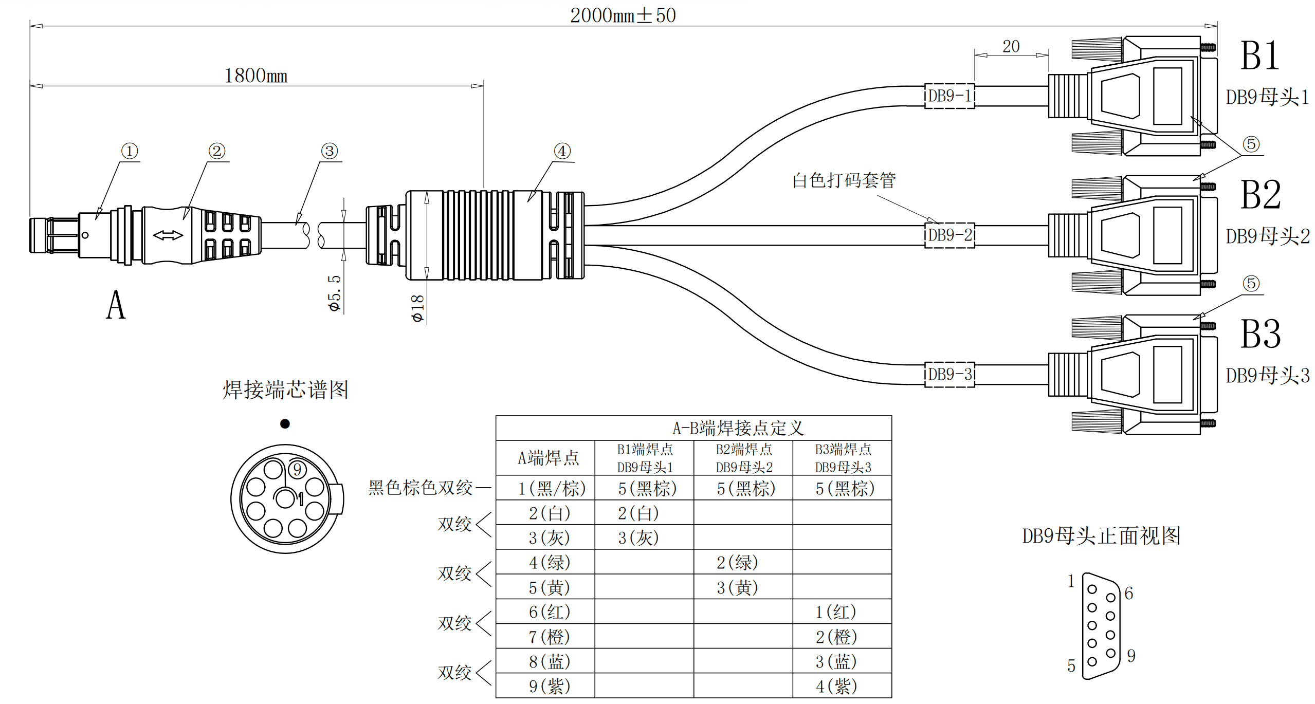
Orion系列的连接器全部放置在前板上。连接器的识别通过激光镭雕标记在外壳上。 FDISYSTEMS 为 Orion系列提供了最多两个评估航空插头电缆线主接口MAIN和辅接口AUX,用于快速连接到 Orion系列。这些插头和线通过注塑封装的一体化工艺,在正常使用时具有IP68的防护等级。主接口主要具有供电和两路RS232和可编程多功能复用端口GPIOS功能。辅接口主要提供 RS422/CAN 以及内日志读取的USB口,为了在应用程序中快速测试,主接口线束提供了一分四的接口,并且具有标准的 DC 接口和工业标准9引脚 DSUB 母头接口。
# 连接器规格
# Orion5-A
# Orion5-D
# Orion5-D4G
# Orion-Dp900
# Orion-D4G-Air
# Orion-Dp900-Air
# 航插
# 主接口MAIN和线缆
| Pin | Colour | Function | Primary DB9-1 | Auxiliary DB9-2 | 422 DB9-1 | CAN DB9-1 | GPIO DB9-3 | PowerDC |
| 1 | GND | 5 | 5 | 5 | 5 | Ring | ||
| 2 | Power | Tip | ||||||
| 3 | Primary RS232 Tx | 2 | ||||||
| 4 | Primary RS232 Rx | 3 | ||||||
| 5 | Auxiliary RS232 Tx | 2 | ||||||
| 6 | Auxiliary RS232 Rx | 3 | ||||||
| 7 | RS422Y T+ | 1 | ||||||
| 8 | RS422Z T- | 2 | ||||||
| 9 | RS422B R+ | 3 | ||||||
| 10 | RS422A R- | 4 | ||||||
| 11 | CAN H | 2 | ||||||
| 12 | CAN L | 3 | ||||||
| 13 | GPIO 1 | 2 | ||||||
| 14 | GPIO 2 | 3 | ||||||
| 15 | SYNC | 6 | ||||||
| 16 | GND | 1 |
表 主航插接头引脚
# 辅接口AUX和线缆
| Pin | Colour | Function | Primary DB9-1 | Auxiliary DB9-2 | ETH DB9-3 | CAN DB9-4 | GPIO DB9-3 | PowerDC |
| 1 | GND | 5 | 5 | 5 | 5 | Ring | ||
| 2 | Power(1A) | Tip | ||||||
| 3 | USB DM | 2 | ||||||
| 4 | USB DP | 3 | ||||||
| 5 | SWD_IO | 2 | ||||||
| 6 | SWD_CLK | 3 | ||||||
| 7 | ETHERNET_TXD+ | 1 | ||||||
| 8 | ETHERNET_TXD- | 2 | ||||||
| 9 | ETHERNET_RXD- | 3 | ||||||
| 10 | ETHERNET_RXD+ | 4 | ||||||
| 11 | CAN2 H | 2 | ||||||
| 12 | CAN2 L | 3 | ||||||
| 13 | 2 | |||||||
| 14 | 3 | |||||||
| 15 | PPS | 6 | ||||||
| 16 | GND | 1 |
表 辅航插接头引脚











