# 结构规格
| 规格 | |
|---|---|
| Ports | RS232*2、RS422*1(up921600bps)、CAN*1(1M)、USB*1(blackbox)、SYNC*1 (1PPS)、GPIO*2 |
| 接口&天线 | 主接口|MX23A18NF1、ANT1|FAKRA-C、ANT2|FAKRA-D、4G ANT|FAKRA-E(D4G)、SD卡Nano(D4G) |
| Protocol | FDILink、NMEA 0183 / NMEA 2000(CAN)、Simrad、 RTCM / NTRIP * |
| 工作环境 | 极限冲击:80g(10ms) | 防护:IP5X | 使用温度:-40°C 至 85°C | 湿度:95%非凝露 |
| Size&Weight | Size :115 x 69 x 27 mm | 重量:200g |
| 电压 | 功耗 | 8-48V@ 瞬时负载能力≧1A | 2.5W |
# 一般规格
# 一览表
注意
如果。
# 规格
下表总结了所有机械和环境规格。
# 设备机械对齐
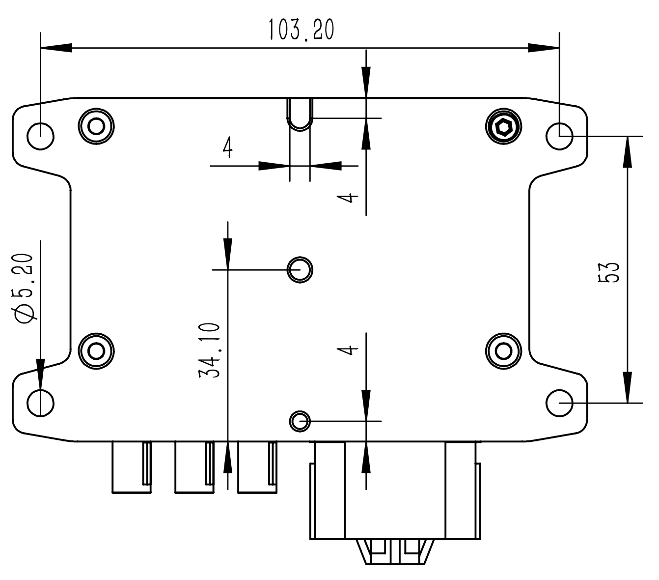
# 结构图纸
# sigma尺寸图
# Sigma 3D STEP 模型
Sigma 系列 Rugged STEP File Sigma 共有以下6种型号:
| 型号 | 外形 | STEP |
|---|---|---|
| Sigma-D | Sigma-D Rugged STEP File | |
| Sigma-D4G | Sigma-D4G Rugged STEP File |







